Registrations
We now manually approve all new user accounts due to a large influx of spam bots. Accounts are normally approved within 48 hours.
If you need any help with using this Wiki, please ask here: TalkFord.com Wiki Submission Forum
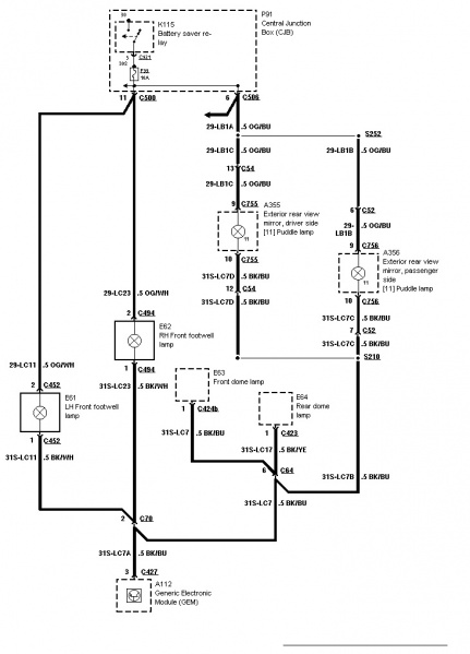
File:Puddle lights.jpg
From www.FordWiki.co.uk
Revision as of 12:13, 13 April 2013 by Compuwiz uk (Talk | contribs)

Size of this preview: 431 × 599 pixels. Other resolution: 732 × 1,018 pixels.
Original file (732 × 1,018 pixels, file size: 114 KB, MIME type: image/jpeg)
File history
Click on a date/time to view the file as it appeared at that time.
Date/Time | Thumbnail | Dimensions | User | Comment | |
---|---|---|---|---|---|
current | 12:13, 13 April 2013 | ![]() | 732 × 1,018 (114 KB) | Compuwiz uk (Talk | contribs) |
- You cannot overwrite this file.
File usage
The following page links to this file: